
The 2P2T Slide Switches adouble-pole double-throw (2Pole 2Throw) control switch that enables two-state switching for two independent circuits (e.g., on/off, mode selection) via a rocking operation, ideal for scenarios requiring synchronized control of dual circuits.
Brand:
GangyuanItem NO.:
SS22E01-EG4Order(MOQ):
1000Payment:
100% before productionProduct Origin:
WenzhouColor:
BlackShipping Port:
Ningbo or ShenzhenLead Time:
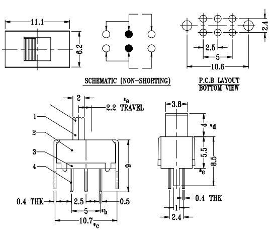
7-15 working daysOutline (mm)
11.10mm x 6.20mmMounting Type
Through Holelllumination
Non-llluminatedIP Rating
No IP Rating
ON-ON DPDT Slide Metal Switch For Toys
Typical Specifications
Ratings: DC50V 0.5A
Operating Force: 250±100gf
Full Travel: 2.2±0.2mm
Timing: Non-shorting
Operation life: 10,000 cycles
Slide switch knob: 4mm
Practical Temperature Range: -20℃~+70℃
Slide switch dimensions
Non-shorting slide switches
Toggle Switch Introduction
A toggle switch is a device that switches a circuit on or off by toggling the switch handle. Common types of toggle switches include
single-pole double-position, single-pole three-position, bipolar double-position, and bipolar three-position. It is generally used in low-voltage
circuits and has the characteristics of flexible slider movement and stable and reliable performance. Toggle switches are widely used in various
instruments/meters, various electric toys, fax machines, audio equipment, medical equipment, beauty equipment, and other electronic products.
If you want to purchase switch products and need to know quotations, parameters or solutions, please leave us a message, and we will give you a satisfactory reply within 2 hours.
Categories
Copyright © 2025 Wenzhou Gangyuan Electronics Co., Ltd.. All Rights Reserved. Power by
IPv6 network supported