
A Straight key push button switch is a mechanical switch that directly controls the on/off of a circuit by manually pressing it vertically. It has intuitive operation and a classic structure. It is commonly found on device panels, function buttons, or control situations that require clear tactile feedback.
Brand:
GangyuanItem NO.:
PS12D05-L-D3004Order(MOQ):
500pcsPayment:
100% T/T Before ProductionProduct Origin:
Zhejiang, China (Mainland)Color:
MetalShipping Port:
Ningbo/ShenzhenLead Time:
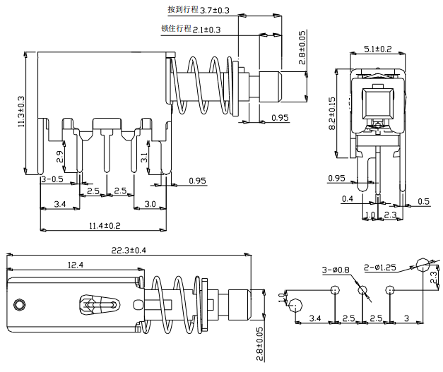
7-14 working days for paymentOutline (mm)
12.40mm x 5.10mmMounting Type
Through Holelllumination
Non-llluminatedIP Rating
No IP Rating12V Latching Push Button Switch
Specification
Type: 3 pin SPDT straight key push button switch
Ratings:DC 12V 1A
Contact Resistance: ≤100mΩ
Insulation Resistance: ≥100MΩ
Operating force: 300±100 gf
Operation Life: 5,000 cycles
Function: Self lcok
Schematic
Why do some people still use direct-key switches?
Although modern devices increasingly utilize touchscreens, capacitive buttons, and micro switches, direct-button switches still offer unique advantages:
Intuitive operation: Easy to understand at a glance, suitable for quick control.
Definite tactile feel: A distinct click or "click" provides user feedback.
Reliable and durable: Simple mechanical structure, insensitive to interference, suitable for harsh environments.
Multi-position/self-locking function: Suitable for applications requiring state retention or switching between multiple modes.
Similar Options
PS22E05 type straight key pushbutton switch
PS42F42 type straight key pushbutton switch
Dip type right angle pushbutton switches
Applications
Telecommunications / Networking
Computers/servers / Performance audio
Instrumentation / Low power on/off designs
External hard drives and modems
Why choose us ?
Strong and durable, source manufacturer
From the personnel engaged in production, R&D, quality to the scale of hardware equipment, we are your reliable strength.
Environmentally friendly materials
Every shipment is strictly controlled by our engineering and quality to ensure quality
Precision production, stable delivery
Strict quality system, strict testing process, stable delivery time
If you want to purchase switch products and need to know quotations, parameters or solutions, please leave us a message, and we will give you a satisfactory reply within 2 hours.
Categories
Copyright © 2025 Wenzhou Gangyuan Electronics Co., Ltd.. All Rights Reserved. Power by
IPv6 network supported