other
Products
Home Switch Non locking Switch Dip Terminal 8.5x8.5mm Square Latching Switch

Dip Terminal 8.5x8.5mm Square Latching Switch

As a professional switch manufacturer with our own factory, we proudly present the 8.5×8.5mm series push button switch, featuring both self-locking and non-locking options to meet diverse application needs. Equipped with a durable 6-pin DIP terminal design, this square pushbutton ensures stable connection and easy PCB installation.

  • Brand:

    Gangyuan
  • Item NO.:

    PB23E09171-07
  • Order(MOQ):

    100pcs
  • Payment:

    100% T/T Before Production
  • Product Origin:

    Zhejiang, China (Mainland)
  • Color:

    Black
  • Shipping Port:

    Ningbo/Shenzhen
  • Lead Time:

    7-14 working days for payment
  • Outline (mm)

    8.50mm x 8.50mm
  • Mounting Type

    Through Hole
  • lllumination

    Non-llluminated
  • IP Rating

    No IP Rating
  • Product Detail

8.5x8.5mm 6-Pin DIP Self-Locking / Non-Locking Push Button Switch


 Specification 


Type: PCB Mount Tactile Push Switch 8.5*8.5mm

Ratings:DC 30V 0.1A

Contact Resistance: ≤100mΩ

Insulation Resistance: ≥100MΩ

Operating force: 230±70gf

Full Travel: 2.5±0.2mm

Operation Life: 3000 cycles


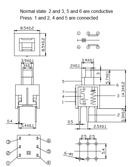
 Schematic 


Tactile Latching Switch for Industrial & Consumer Electronics

 


  Key Feature  


Self-Locking Mode: Press once to lock the circuit in ON state, press again to release and return to OFF state, 

ideal for power control, mode switching applications.

Non-Locking Mode: Press to activate, release to reset, perfect for momentary trigger, signal input, reset functions.

6-Pin DIP Design: Standard DPDT (Double Pole Double Throw) configuration, supports dual-circuit control, compatible with universal PCB layouts.

Tactile Feedback: Crisp, consistent click feel with every actuation, ensuring reliable operation and user confidence.



 Installation & Welding Guide 


Mounting Type: Through-Hole PCB Mount

Welding recommendation: Use the automatic immersion welding method at 255℃. T

he maximum welding time should not exceed 5 seconds to avoid excessive heating and damage to the internal components.

Installation Note: Ensure proper alignment of pins with PCB holes, avoid bending pins during installation

Recommended PCB Pad Layout: Provide standard pad design for 8.5x8.5mm 6-pin switch, downloadable for engineers


 FAQ 


Q1: What is the difference between self-locking and non-locking 8.5x8.5mm switches ?
A: Self-locking switches stay in the ON state after pressing, requiring a second press to turn off. 

Non-locking (momentary) switches only activate while pressed, resetting when released.


Q2: What certifications do your 8.5x8.5mm latching switches have ?
A: All our switches are RoHS, ISO9001,ISO14001,1045001, REACH compliant and other certification


Q3: What is the minimum order quantity (MOQ) for custom 8.5x8.5mm switches ?
A: The standard MOQ is 5,000pcs, and we support small-batch custom orders for R&D projects.


Q4: Can you provide 3D models or CAD files for the 8.5x8.5mm switch ?
A: Yes, we provide free 2D dimension drawings and 3D STEP files for all our standard products.


Q5: What is the lead time for mass production ?
A: Standard lead time is 7-15 days after sample confirmation, and we offer expedited production for urgent orders.




Leave A Message

If you want to purchase switch products and need to know quotations, parameters or solutions, please leave us a message, and we will give you a satisfactory reply within 2 hours.

Related Products
non lock switch
6 Pin Latching Momentary Push Button Switch

Momentary contact, 6 pins, square white push button, DIP through hole mounting, Non locking style ,5.8x 5.8mm push button switches, etc.

non lock switch
5.8x5.8mm Latching Non Lock Momentary Push Button Switch

Non lock switch widely used in consumer electronics,smart device, PCB and so on.

auto lock switch
5.8x5.8mm Latching auto lock Momentary Push Button Switch

Auto lock switch, knob colors with black, grey, red, white, pink etc.  Long life 100,000/1,000,000 cycles could be normally made.

self lock switch
8.3x8.3 6pin push button self lock switches electrical

8.3x8.3 6pin push button self lock switches electrical, high quality.

Self locking switch
PCB Tactile Push Button Self Locking 6 Pin Switch DIP

5.8*5.8mm self locking switch with 6 pins often used in PCB board.

Push Button Switch
7mm Latching Auto Lock and Non Lock Momentary Push Button Switch

7mm Latching Auto Lock and Non Lock Momentary Push Button Switch,Momentary contact, 6 pins, square blue push button, DIP through hole mounting, locking&non locking style ,7x7mm push button switches, etc.

auto lock switch
5.8x5.8mm Latching auto lock Momentary Push Button Switch

Auto lock switch, knob colors with black, grey, red, white, pink etc.  Long life 100,000/1,000,000 cycles could be normally made.

non lock switch
6 Pin Latching Momentary Push Button Switch

Momentary contact, 6 pins, square white push button, DIP through hole mounting, Non locking style ,5.8x 5.8mm push button switches, etc.

Copyright © 2026 Wenzhou Gangyuan Electronics Co., Ltd.. All Rights Reserved. Power by

IPv6 network supported

top

Leave A Message

Leave A Message

    If you want to purchase switch products and need to know quotations, parameters or solutions, please leave us a message, and we will give you a satisfactory reply within 2 hours.

  • #
  • #
  • #
  • #
    Refresh the image