
The 12-type thin rotary encoder is a specific type or series of thin rotary encoders used to detect rotation angle, position, speed or direction.
Brand:
GangyuanItem NO.:
GE1202-D1-F8.8/2-24POrder(MOQ):
100Payment:
100% T/T Before ProductionProduct Origin:
ChinaColor:
Black and WhiteShipping Port:
WenZhou/ShenzhenLead Time:
7-14 Working Days For PaymentOutline (mm)
14.00mm x 13.20mmMounting Type
Through Holelllumination
Non-llluminatedIP Rating
No IP RatingEC12 Through Hole Mechanical Panel Mount Rotary Encoder
Parameters
Type: Vertical Rotary Encoder Without Push Button Switch
Operating Temperature Range: -40±2 °C to +70 °C
Storage Temperature Range: -40 °C to +85 °C
Shaft rotational direction: 24P
Resolution: 24 pulses/360°
Number and position of detent: 24 detents
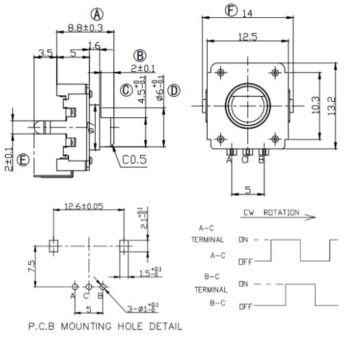
Drawing
What is an Incremental Encoder ?
An incremental encoder is a sensor that detects the relative position, direction, and speed of a rotating shaft by outputting pulse signals (such as phase A and phase B).
It cannot directly provide absolute position information, but has advantages such as simple structure, low cost, and fast response speed. It is widely used in industrial automation,
motor control, instrumentation, and other applications where absolute position requirements are not high.
• Pulse usually uses 12 and 24
• Shaft core length and shape can be selected
If you want to purchase switch products and need to know quotations, parameters or solutions, please leave us a message, and we will give you a satisfactory reply within 2 hours.
Categories
Copyright © 2025 Wenzhou Gangyuan Electronics Co., Ltd.. All Rights Reserved. Power by
IPv6 network supported